Constant Current Sink Ic

How Does This Constant Current Sink Actually Work Electrical Engineering Stack Exchange

How Does This Constant Current Sink Actually Work Electrical Engineering Stack Exchange

The Right Way To Do A Current Sink

The Right Way To Do A Current Sink

Issue With Constant Current Sink Electrical Engineering Stack Exchange

Issue With Constant Current Sink Electrical Engineering Stack Exchange

Variations Among Current Sink Source Circuits With A Single Op Amp

Variations Among Current Sink Source Circuits With A Single Op Amp

2 Transistor Constant Current Sink 01 Circuitlab

2 Transistor Constant Current Sink 01 Circuitlab

Mini Circuit 1 Constant Current Sink Learn Cnc

Mini Circuit 1 Constant Current Sink Learn Cnc

Mini Circuit 1 Constant Current Sink Learn Cnc

Voltage current and thermal protection.

Constant current sink ic.

Before proceeding further with circuit construction let s understand about constant current sink circuit. Constant current sources can be designed using a number of standard analog building blocks including op amps led drivers and battery chargers. This means that v g v d and thus v gd 0 v. With a 2n4401 and a voltage from 6 to 24v in you should get a current varying between 31 and 32 ma which is good enough for leds usually.

This circuit works at fairly constant current. The sections are dielectrically isolated making them completely independent. Analog devices portfolio of dedicated constant current source products offer ease of use and design. Figure 7 shows the load transient performance vout ch1 and output current ch4 when stepping a constant resistive load from 60ω to 120ω.

The lm134 lm234 lm334 are true floating current sources with no separate power supply connections. It s surprisingly simple in my opinion two nmos transistors and a resistor. But if ohms law decides how much current flows through a circuit then why do we need constant. The performance of each section is.

Let s look at how this circuit works. What is a constant current sink circuit. A constant current sink circuit actually sinks current irrespective of the load resistance as long as the input voltage is not changed. As you can see the drain of q 1 is shorted to its gate.

Sign in to download full size image figure 3 28. The lm5117 configured as a cc cv converter provides accurate current regulation while offering many advantages over the traditional implementation. This is a current sink circuit that uses a transistor jfet and lm101 ic op amp so there is high precision. Two 100 µa current sources and a current mirror.

A controlled constant current source or sink is a useful circuit block to use in designing electronic applications such as sensor bias amplifier bias and special waveform generation. Here is the basic mosfet constant current source. A constant current sink allows cathode current to be forced to the design value despite valve parameters. The ref200 combines three circuit building blocks on a single monolithic chip.

Also because the current sources are two terminal devices they can be used equally well as current sinks. These types of circuits exhibit high output dynamic impedance while delivering relatively large currents within the specified voltage range. Initial current accuracy is 3. In addition reverse applied voltages of up to 20v will draw only a few dozen microamperes of current allowing the devices to act as both a rectifier and current source in ac applications.

The 2n5457 jfet and pn2222 bipolar have normally high output impedance. Careful with a blue led you get a forward voltage drop around 4 v so you need a minimum input voltage of 4 v plus the vbe of the transistor 0 7 v plus some room to move thus minimum 6v. The r1 is used as a current sensing resistor to provide feedback to the lm101 op amp that it supplies a large amount of loop gain for negative feedback to enhance the real current sink nature.

Microamp Constant Current Sink Electrical Engineering Stack Exchange

Microamp Constant Current Sink Electrical Engineering Stack Exchange

Tl431 Constant Current Source Electrical Engineering Stack Exchange

Tl431 Constant Current Source Electrical Engineering Stack Exchange

Lm4041c Build A Constant Current Source With Lm4041c Power Management Forum Power Management Ti E2e Support Forums

Lm4041c Build A Constant Current Source With Lm4041c Power Management Forum Power Management Ti E2e Support Forums

What Is The Formula For The Dependence Between Modulating Input Voltage Output Current For Two Transistor Constant Current Sink Electrical Engineering Stack Exchange

What Is The Formula For The Dependence Between Modulating Input Voltage Output Current For Two Transistor Constant Current Sink Electrical Engineering Stack Exchange

Edn Op Amp Can Source Or Sink Current

Edn Op Amp Can Source Or Sink Current

Brief N Channel Jfet Current Sink Circuit J310 Constant Current Source Electronzap

Brief N Channel Jfet Current Sink Circuit J310 Constant Current Source Electronzap

Dac Controlled Constant Current Source Electrical Engineering Stack Exchange

Dac Controlled Constant Current Source Electrical Engineering Stack Exchange

How To Make A Constant Current Sink In The Pa Na Range Electrical Engineering Stack Exchange

How To Make A Constant Current Sink In The Pa Na Range Electrical Engineering Stack Exchange

Design A Simple Constant Current Sink Circuit Using Op Amp

Design A Simple Constant Current Sink Circuit Using Op Amp

100 Ma Current Sink With Lm317 Does Not Work Above 25v Electrical Engineering Stack Exchange

100 Ma Current Sink With Lm317 Does Not Work Above 25v Electrical Engineering Stack Exchange

Lm334 Constant Current Circuits Tutorial

Lm334 Constant Current Circuits Tutorial

Constant Current Sink An Overview Sciencedirect Topics

Constant Current Sink An Overview Sciencedirect Topics

Simple Version Of An Internal Op Amp Circuit Electrical Engineering Stack Exchange

Simple Version Of An Internal Op Amp Circuit Electrical Engineering Stack Exchange

Dm13a Constant Current Sink Driver

Dm13a Constant Current Sink Driver

Tl431 Based Current Limiter Constant Current Source Circuits

Tl431 Based Current Limiter Constant Current Source Circuits

Voltage Controlled Current Sink In 2020 Circuit Circuit Diagram Electronics Circuit

Voltage Controlled Current Sink In 2020 Circuit Circuit Diagram Electronics Circuit

Chapter 11 The Current Mirror Analog Devices Wiki

Chapter 11 The Current Mirror Analog Devices Wiki

Meet Constant Current Source Circuits Ideas For You Eleccircuit Com Current Source Constant Current Simple Electronic Circuits

Meet Constant Current Source Circuits Ideas For You Eleccircuit Com Current Source Constant Current Simple Electronic Circuits

Https Encrypted Tbn0 Gstatic Com Images Q Tbn 3aand9gct2feayhvstgm3jxktbh Ngiy4pqex Dijxgh43wcp0 Cz 0r A Usqp Cau

Https Encrypted Tbn0 Gstatic Com Images Q Tbn 3aand9gct2feayhvstgm3jxktbh Ngiy4pqex Dijxgh43wcp0 Cz 0r A Usqp Cau

Ic Led Driver Constant Current

Ic Led Driver Constant Current

Sinking And Sourcing Current Electrical Engineering Stack Exchange

Sinking And Sourcing Current Electrical Engineering Stack Exchange

1amp Constant Current Led Driver Shield For Arduino Nano Electronics Lab

1amp Constant Current Led Driver Shield For Arduino Nano Electronics Lab

Why Wast Majority Of Led Driving Ic S Are Current Sinks Instead Of Source

Why Wast Majority Of Led Driving Ic S Are Current Sinks Instead Of Source

On Semiconductor

On Semiconductor

Current Regulators Construction Working And Design Types

Current Regulators Construction Working And Design Types

Transformerless Constant Current Led Driver Circuit Homemade Circuit Projects

Transformerless Constant Current Led Driver Circuit Homemade Circuit Projects

Current Sources Sinks And Mirrors In Audio

Current Sources Sinks And Mirrors In Audio

Cl220 Typical Application Reference Design General Led Driver Arrow Com

Cl220 Typical Application Reference Design General Led Driver Arrow Com

Bd140 Pinout In 2020 Circuit Current Source Circuit Design

Bd140 Pinout In 2020 Circuit Current Source Circuit Design

How Does A Tlc5917 Led Driver Work Electrical Engineering Stack Exchange

How Does A Tlc5917 Led Driver Work Electrical Engineering Stack Exchange

Constant Current Source Design Google Groups

Constant Current Source Design Google Groups

Lm10 And Its Ilk In Circuits Parallax Forums

Lm10 And Its Ilk In Circuits Parallax Forums

Constant Current Source An Overview Sciencedirect Topics

Constant Current Source An Overview Sciencedirect Topics

Public Circuits Tagged Constant Current Source Circuitlab

Public Circuits Tagged Constant Current Source Circuitlab

Transistors Archives Basic Electronics Tutorials

Transistors Archives Basic Electronics Tutorials

Drive Time Multiplexed Led Arrays At High Current Magazine Leds Magazine

Drive Time Multiplexed Led Arrays At High Current Magazine Leds Magazine

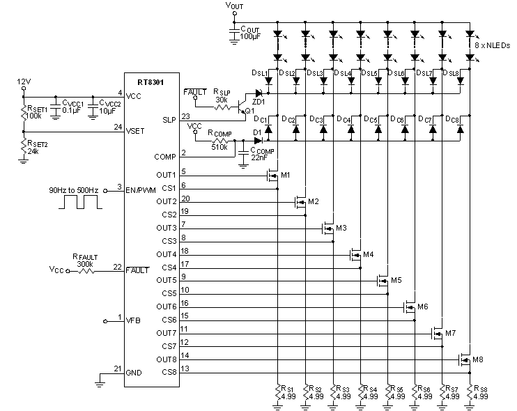
Rt8301 8 Ch Constant Current Led Driver For Display Backlight Richtek Technology

Rt8301 8 Ch Constant Current Led Driver For Display Backlight Richtek Technology

Diy Audio Projects Forum Lm317 Cathode Bias

Diy Audio Projects Forum Lm317 Cathode Bias

750ma Constant Current Led Driver Arduino Nano Shield Electronics Lab

750ma Constant Current Led Driver Arduino Nano Shield Electronics Lab

24ch Constant Current Led Driver Ic With 2 Line Serial Interface Bd2808muv M Rohm Semiconductor Rohm Co Ltd

24ch Constant Current Led Driver Ic With 2 Line Serial Interface Bd2808muv M Rohm Semiconductor Rohm Co Ltd

Zener Diode Controlled Npn Bjt Constant Current Source Sink Using 2n3904 Current Source Bipolar Junction Transistor Constant Current

Zener Diode Controlled Npn Bjt Constant Current Source Sink Using 2n3904 Current Source Bipolar Junction Transistor Constant Current

Pin On Electronics

Pin On Electronics

Mbi5024 Driver Datasheet Pdf Sink Driver Equivalent Catalog

Mbi5024 Driver Datasheet Pdf Sink Driver Equivalent Catalog

Https Encrypted Tbn0 Gstatic Com Images Q Tbn 3aand9gcqhxdcvzhdyibar3ij7abomsxizvkru6v4hhsnkfjnqkghaey G Usqp Cau

Https Encrypted Tbn0 Gstatic Com Images Q Tbn 3aand9gcqhxdcvzhdyibar3ij7abomsxizvkru6v4hhsnkfjnqkghaey G Usqp Cau

Source : pinterest.com